Classification Generator tripping Scheme Class A, Class B & Class A:
The generator Tripping classified according to the fault.
Protection of the generator:
- Voltage Controlled Over Current Protection
- (51V)
- Dead Machine Protection (50/27)
- Generator Circuit Breaker Failure (50BF)
- Over Excitation Protection (24G)
- Over Voltage Protection (59)
- Reverse Power Protection (32R)
- Low Forward Power Protection (32F)
- Differential Protection (87G)
- Under Frequency Protection (81G)
- Over Frequency Protection (81G)
- Loss of Excitation (40G)
- 95 % Stator Earth Fault (64G1)
- 100 % Stator Earth Fault (64G2)
- Generator Rotor Earth Fault (64F)
- Exciter Rotor Earth Fault
- I&C Trip from ETS.
- Excitation System Fault
- Generator Pole Slipping (78)
- Negative Phase Sequence Protection (46)
- Backup Impedance Protection (21)
- Generator Cooling Water Loss
- Conductivity High Loss
Classification depends upon following:
- Plant layout
- Means how generator is connected to high voltage transmission line.
- There are two different ways:
- Without GCB scheme => GCB -Generator Circuit Breaker
- With GCB scheme
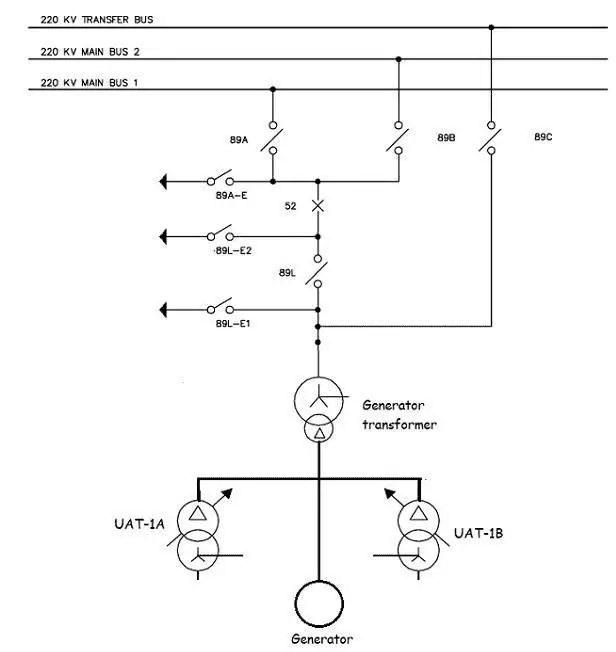
Without GCB Scheme:
- Generator synchronizing done at switchyard.
- Generator, GT& UAT are directly connected to switchyard.
- If any faults in generator, then we have to open switchyard breaker.
Without GCB we can classified into 3 class
- Class A
- Class B
- Class C
Class A trips:
Class A trip involves a serious electrical fault like differential, stator earth fault etc. and is considered to be the most dangerous in terms of the shock on the unit. Since it involves serious electrical faults, connections from both generator and the EHV bus is immediately switched off to limit the damage at the fault point and also to isolate the healthy system. Hence the unit (turbine, generator and boiler) has to be tripped.
Class B trip:
Class B primarily relates to mechanical problems. This results in tripping of turbine followed by generator.
Class C trip:
Class C involves basically external system related problems like frequency, overvoltage etc. This does not involve instant tripping of the unit. CPP unit operates on house load.
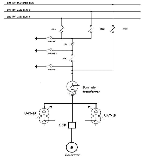
With gcb scheme:
- Generator synchronizing done at TG building.
- Generator is not directly connected to GT,UAT & switchyard
- If any faults in generator then we have to open GCB.
- Classification of generator protection tripping in this scheme are
- Class A1
- Class A2
- Class B
Class A1:
Class A-I trip is mainly for faults in generator transformer and unit transformer. In this class, trip goes to following equipments without time delay.
- Generator Breaker (GCB).
- EHV Breaker.
- UAT LV breaker and Field Breaker.
Three generator protections come into Class-AI.
- Voltage Controlled Over Current Protection (51V).
- Dead Machine Protection (50/27).
- Generator Circuit Breaker Failure (50BF).
Class A2:
Class AII trip is for faults in generator. In this class, trip goes to following equipments without time delay.
- Turbine,
- Generator breaker (GCB),
- Field breaker.
Advantage of GCB scheme:
The auxiliaries are fed through unit transformer by back charging of GT. Thus in Class A2 trip we are able to maintain uninterrupted power to the Unit bus and auxiliaries which was not possible in the scheme without GCB.
There are 13 generator protections into Class AII:
- Over Excitation Protection (24G)
- Over Voltage Protection (59)
- Reverse Power Protection (32R)
- Under Frequency stage – 2 (81)
- Low Forward Power Protection (32F)
- Differential Protection (87G)
- Loss of Excitation (40G)
- 95 % Stator Earth Fault (64G1)
- 100 % Stator Earth Fault (64G2)
- Generator Rotor Earth Fault (64F)
- Exciter Rotor Earth Fault
- I&C Trip from ETS
- Excitation System Fault
Class B
Class B trip also leads to generator breaker (GCB) tripping. In this class, trip goes to only turbine. There are 7 generator protections come into Class B
- Under frequency stage-1 (81)
- Over Frequency Stage-2 (81)
- Generator Pole Slipping (78)
- Negative Phase Sequence Protection (46)
- Backup Impedance Protection (21)
- Generator Cooling Water Loss
- Conductivity High loss.
Ref: http://ijaems.com/upload_images/SITE_SPECIAL_ISSUE_FILE_PATHJIT-093.pdf










![What is Arc Chute? Types, Working Principle [Video Included] arc chute working priciple](https://electrical4u.net/wp-content/uploads/2020/06/arc-chute-218x150.png)
