Q. 49 The load shown in the figure absorbs 4 kW at a power factor of 0.89rpmlagging.
Assuming the transformer to be ideal, the value of the reactance X to improve
the input power factor to unity is _________.
Answer:(23.618 ohm)
Explanation:



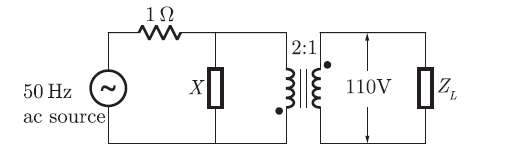
Q. 49 The load shown in the figure absorbs 4 kW at a power factor of 0.89rpmlagging.
Assuming the transformer to be ideal, the value of the reactance X to improve
the input power factor to unity is _________.
Answer:(23.618 ohm)
Explanation:



Excellent