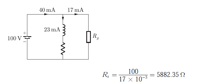
Q. 65 The SCR in the circuit shown has a latching current of 40 mA. A gate pulse of
is applied to the SCR. The maximum value of R in
to ensure successful
firing of the SCR is ______.
Answer:(5882.35)
Explanation:

Q. 65 The SCR in the circuit shown has a latching current of 40 mA. A gate pulse of
is applied to the SCR. The maximum value of R in
to ensure successful
firing of the SCR is ______.
Answer:(5882.35)
Explanation:
