Gate EE-2014-2 Question Paper With Solutions

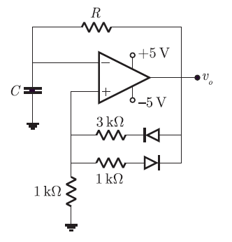
Q. 59 An oscillator circuit using ideal op-amp and diodes is shown in the figure.

Gate EE-2014-2 Question Paper With Solutions Gate EE-2014-2 Question Paper With Solutions

Answer:(1.2)

Explanation:

Not Required.

Learn More:   CS-2002 Question Paper With Solutions

LEAVE A REPLY

Please enter your comment!
Please enter your name here