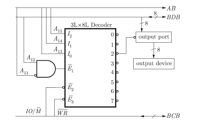
Q. 62 An output device is interfaced with 8-bit microprocessor 8085A. The interfacing
circuit is shown in figure

Answer:(B)
Explanation:
Q. 62 An output device is interfaced with 8-bit microprocessor 8085A. The interfacing
circuit is shown in figure

Answer:(B)
Explanation: