Gate EE-2014-1 Question Paper With Solutions

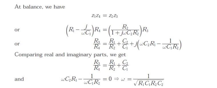
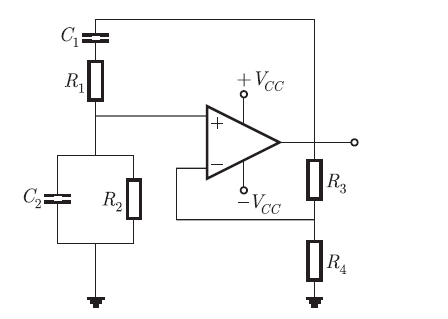
Q. 32 In the Wien Bridge oscillator circuit shown in figure, the bridge is balanced when

Gate EE-2014-1 Question Paper With Solutions Gate EE-2014-1 Question Paper With Solutions

Answer:(C)

Explanation:

Gate EE-2014-1 Question Paper With SolutionsGate EE-2014-1 Question Paper With Solutions

Learn More:   Gate CS-2007 Question Paper With Solutions

LEAVE A REPLY

Please enter your comment!
Please enter your name here