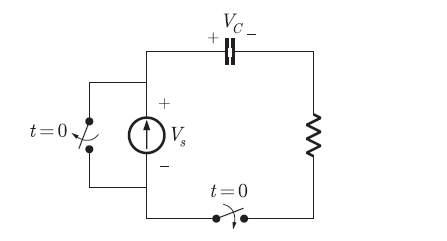
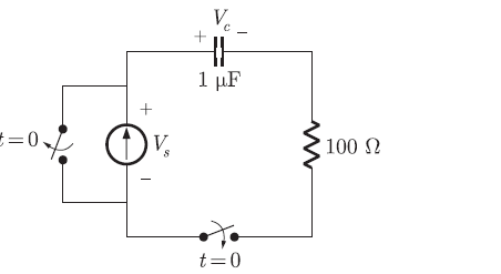
Q. 18 A combination ofcapacitor with an initial voltage
in series
with a resistor is connected to a 20 mA ideal dc current source by operating
both switches at t = 0 s as shown. Which of the following graphs shown in the
options approximates the voltage across the current source over the next few
seconds ?
Answer:(C)
Explanation:


















