Gate EC-2014 – 2 Question Paper With Solutions

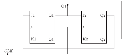
Q. 41 The outputs of the two flip-flops Q1, Q2 in the figure shown are initialized to 0,0. The sequence generated at Q1 upon application of clock signal is

Gate EC-2014 - 2 Question Paper With Solutions

(A) 01110….

(B) 01010….

(C) 00110….

(D) 01100….

Answer: D

Explanation:

Gate EC-2014 - 2 Question Paper With Solutions

Learn More:   Gate CS-2018 Question Paper With Solutions

LEAVE A REPLY

Please enter your comment!
Please enter your name here