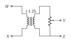
Q. 31 The following arrangement consists of an ideal transformer and an attenuator which attenuates by a factor of 0.8. An ac voltage is applied across WX to get an open circuit voltage
across YZ. Next, an ac voltage
is applied across YZ to get an open circuit voltage
across
are respectively,
(A) 125/100 and 80/100
(B) 100/100 and 80/100
(C) 100/100 and 100/100
(D) 80/100 and 80/100
Answer:
Explanation:













