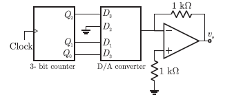
Q. 46 A 4 – bit D/A converter is connected to a free – running 3 – big UP counter, as shown in the following figure. Which of the following waveforms will be observed at
In the figure shown above, the ground has been shown by the symbol
Answer: (B)
Explanation:














