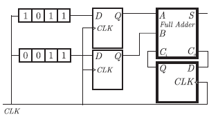
Q. 45 For the circuit shown in figures below, two 4 – bit parallel – in serial – out shift registers loaded with the data shown are used to feed the data to a full adder. Initially, all the flip – flops are in clear state. After applying two clock pulse, the output of the full-adder should be
Answer: (D)
Explanation:














