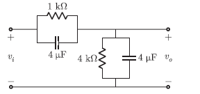
Q. 34 In the figure shown below, assume that all the capacitors are initially
uncharged. If is given by
Answer: (B)
Explanation:

Q. 34 In the figure shown below, assume that all the capacitors are initially
uncharged. If is given by
Answer: (B)
Explanation:
